
佛山市91福利国产在线传感仪器有限公司
联系人:张总
电话:0757-22300095
手机:18902563858
邮箱:931199351@qq.com
传真:0757-22300097
地址:广东省佛山市顺德区勒流富安工业区光电产业园4栋303号
网址:www.xxzagl.com
HDP802SM智能压差控制器选用进口高精度、高稳定性的差压传感器,采用SMT工艺和集成设计理念,其内置微处理器,通过三按键编程,实现零点、满量程、小数点、显示速率、控制点的可调设定,电流设定,无需任何电位器调整。主要功能包括4-20mA变送输出、两路继电器开关量输出、现场显示等功能,整机适应工业级温度环境,强抗干扰。
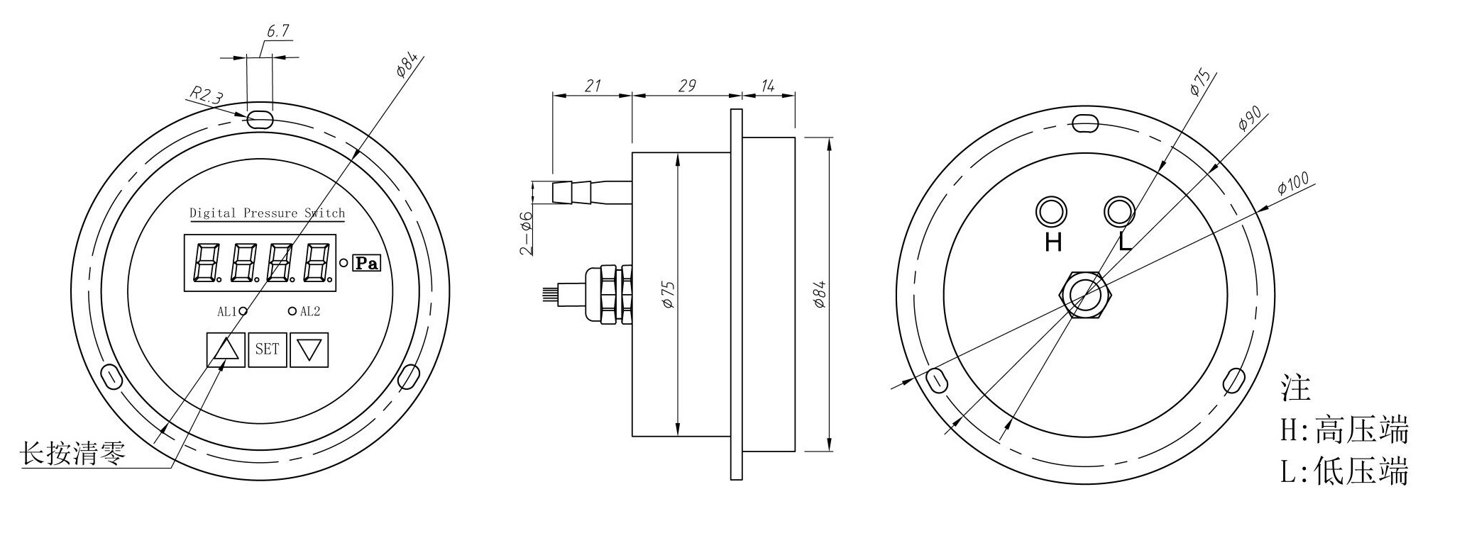
控制器外壳采用传统的不锈钢仪表壳,连接口为不锈钢Ф6或Φ8塔头,仪表可通过壳子背面钢块固定或直接面板盘固定,直接安装在控制柜里或通过引压管连接,使用灵活,操作简单,调试容易,安全可靠。
◆采用0.4寸LED高亮数码管显示.
◆全智能工作方式。支持用户自校准,支持对显示值的非线性修正
◆极低的温飘,适和-40~85 度工业环境使用
◆灵活的开关点设置,控制方向自动识别,自动插入回差值
◆可选数字控制4-20mA 模拟电流输出
◆指标远超同类产品。抗干扰特性优良
◆采集分辨率:16位二进制码
◆信号引出线采用UL2464 规格多芯屏蔽线,内部采用UL1007规格单芯专用线
量 程: -100~0~100KPa(量程内任选)
显示范围: -1999~9999
综合精度: 0.5%FS~1.0%FS
输出信号: 二组继电器(250V 3A干接点),可选配4~20mA输出
开关设置: -1999~9999,回差自动设置,控制方向自动改变
输出电流分辨率:约0.001mA.
供电电压: 24DCV(10~36DCV)
介质温度: -20~85℃
环境温度: 常温(-20~85℃)
采样速率: 最快10 次/S,最慢1.8 次/S,速率可调
负载电阻: 电流输出型最大800Ω;电压输出型大于50KΩ
绝缘电阻: 大于2000MΩ (100VDC )
密封等级: IP65
长期稳定性能: 0.1%FS/年
振动影响: 在机械振动频率20Hz~1000Hz内,输出变化小于0.1%FS
电气接口(信号接口): 紧线螺母引出导线
电子电缆: 外部采用UL2464规格多芯屏蔽线,内部采用UL1007规格单芯专用线
机械连接(螺纹接口): Ф6、Ф8塔头结构,特殊接口可按用户要求设计生产
